logo
player background
live avator

5s
Total
0
Today
0
Total
0
Today
0
  • What would you like to know?
    Company Advantages Sample Service Certificates Logistics Service
Online Chat WhatsApp Inquiry
Auto
resolution switching...
Submission successful!

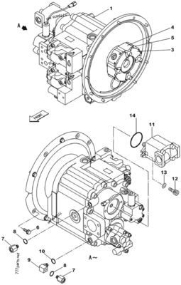
پمپ هیدرولیک بیل مکانیکی Belparts برای پمپ های اصلی Komatsu PC450-6 PC300-6Z BR500JG 708-2H-03800

پمپ هیدرولیکی بیل
2022-07-26
89 نظرات
الان چت کن
پمپ هیدرولیک بیل مکانیکی Belparts برای پمپ های اصلی Komatsu PC450-6 PC300-6Z BR500JG Escavadeira 708-2H-03800 طرح قطعات لیست قطعات یدکی پوز قسمت شماره تعداد نام قطعات ملاحظات 708-2H-00280 [1] PUMP ASS... مشاهده بیشتر
پیام های بازدید کننده پيغام بذاريد
پمپ هیدرولیک بیل مکانیکی Belparts برای پمپ های اصلی Komatsu PC450-6 PC300-6Z BR500JG 708-2H-03800
پمپ هیدرولیک بیل مکانیکی Belparts برای پمپ های اصلی Komatsu PC450-6 PC300-6Z BR500JG 708-2H-03800
الان چت کن
بیشتر بدانید
ویدیو های مرتبط
Belparts Excavator Solar150 K3V63DT-9N0T پمپ اصلی هیدرولیک 2401-9236 2401-9236B برای قطعات دوسان 00:35

Belparts Excavator Solar150 K3V63DT-9N0T پمپ اصلی هیدرولیک 2401-9236 2401-9236B برای قطعات دوسان

پمپ هیدرولیکی بیل
2025-07-17
بلپارتس بیل مکانیکی PSVL-42CG E305.5 E305.5E 374-2025 مجموعه پمپ اصلی هیدرولیک 00:31

بلپارتس بیل مکانیکی PSVL-42CG E305.5 E305.5E 374-2025 مجموعه پمپ اصلی هیدرولیک

پمپ هیدرولیکی بیل
2025-07-16
پمپ هیدرولیکی Hitachi EX300-3 9122780 9136850 برای قطعات حفاری 00:36

پمپ هیدرولیکی Hitachi EX300-3 9122780 9136850 برای قطعات حفاری

پمپ هیدرولیکی بیل
2025-05-20
لوازم یدکی بیل مکانیکی R290LC-7 R360LC-7 XJBN-00002 XJBN-00847 XJBN-00520 لوازم جانبی تجهیزات ساختمانی پمپ دنده ای 00:18

لوازم یدکی بیل مکانیکی R290LC-7 R360LC-7 XJBN-00002 XJBN-00847 XJBN-00520 لوازم جانبی تجهیزات ساختمانی پمپ دنده ای

پمپ هیدرولیک دنده
2022-04-27
پمپ هیدرولیک بیل مکانیکی Belparts TB175 TB175 اصلی پمپ K3SP36C 01:00

پمپ هیدرولیک بیل مکانیکی Belparts TB175 TB175 اصلی پمپ K3SP36C

پمپ هیدرولیکی بیل
2022-04-27
SK200-8 SK210-8 SK250-8 پمپ هیدرولیکی بیل K3V112DTP YN10V00007F1 00:44

SK200-8 SK210-8 SK250-8 پمپ هیدرولیکی بیل K3V112DTP YN10V00007F1

پمپ هیدرولیکی بیل
2022-04-27
Belparts ZX240-3 ZX250-3 ZX230-3 Excavator 9256125 HPV118 HPV0118 پمپ هیدرولیک 04:54

Belparts ZX240-3 ZX250-3 ZX230-3 Excavator 9256125 HPV118 HPV0118 پمپ هیدرولیک

پمپ هیدرولیکی بیل
2020-04-27
پمپ هیدرولیک K3V112DTP K3V112 K3V112DT K3V140 K3V180 K3V280DTH پمپ اصلی هیدرولیک برای بیل مکانیکی خزنده 00:18

پمپ هیدرولیک K3V112DTP K3V112 K3V112DT K3V140 K3V180 K3V280DTH پمپ اصلی هیدرولیک برای بیل مکانیکی خزنده

پمپ هیدرولیکی بیل
2022-04-27
پمپ اصلی حفاری Belparts ZAXIS650LC-3 ZAXIS670LCH-3 پمپ هیدرولیک 9254122 4635645 4641835 00:42

پمپ اصلی حفاری Belparts ZAXIS650LC-3 ZAXIS670LCH-3 پمپ هیدرولیک 9254122 4635645 4641835

پمپ هیدرولیکی بیل
2024-03-27
ZAXIS70LC ZAXIS80 ZAXIS70 Belparts Excavator پمپ اصلی برای هیتاچی ZAXIS80SB پمپ هیدرولیک 4437197 4472053 4472052 00:44

ZAXIS70LC ZAXIS80 ZAXIS70 Belparts Excavator پمپ اصلی برای هیتاچی ZAXIS80SB پمپ هیدرولیک 4437197 4472053 4472052

پمپ هیدرولیکی بیل
2024-05-23
K5V140DT-1E05 EC250D Excavator هیدرولیک پمپ اصلی Assy برای ولوو 00:26

K5V140DT-1E05 EC250D Excavator هیدرولیک پمپ اصلی Assy برای ولوو

پمپ هیدرولیکی بیل
2025-06-17
پمپ هیدرولیک هیوندای K3V140DT-9C69-17T R300-5 برای قطعات حفاری 00:22

پمپ هیدرولیک هیوندای K3V140DT-9C69-17T R300-5 برای قطعات حفاری

پمپ هیدرولیکی بیل
2024-11-20
Nachi پمپ هیدرولیک assy PVD-0B-16BP-6AG4-5503D برای yanmar VIO15 VIO17 پمپ هیدرولیک قطعات معدنی 00:22

Nachi پمپ هیدرولیک assy PVD-0B-16BP-6AG4-5503D برای yanmar VIO15 VIO17 پمپ هیدرولیک قطعات معدنی

پمپ هیدرولیکی بیل
2025-05-16
پمپ اصلی حفاری Belparts PC100-6 PC120-6 PC130-6 پمپ هیدرولیک 708-1L-00070 708-1L-00032 برای کوماتسو 00:17

پمپ اصلی حفاری Belparts PC100-6 PC120-6 PC130-6 پمپ هیدرولیک 708-1L-00070 708-1L-00032 برای کوماتسو

پمپ هیدرولیکی بیل
2024-03-25
پمپ هیدرولیک بیل مکانیکی Belparts برای پمپ های اصلی Kobelco SK330-8 LC10V00020F1 01:12

پمپ هیدرولیک بیل مکانیکی Belparts برای پمپ های اصلی Kobelco SK330-8 LC10V00020F1

پمپ هیدرولیکی بیل
2022-07-26